返回首页
网站地图
网站首页
公司简介
制造产品
安装产品
企业资质
顾客评价
安装示意
典型客户
联系我们
当前位置:
安装示意
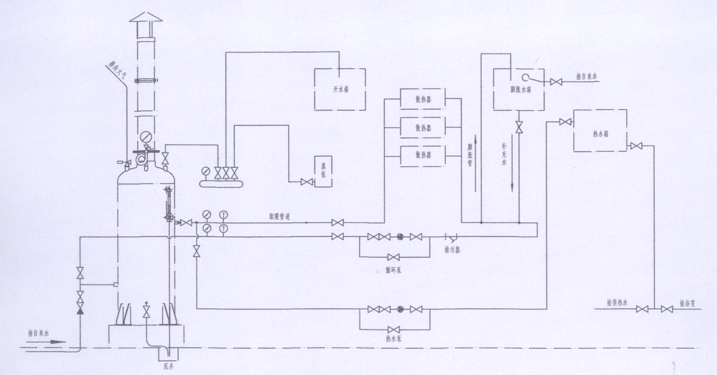
制造产品安装示意图:
卧式燃油(气)热水锅炉安装示意图
立式燃油(气)热水锅炉安装示意图
立式燃煤蒸汽锅炉安装示意图
立式燃煤汽水两用锅炉安装示意图
△ 由于各个用户单位对锅炉使用要求不同,故本安装示意图仅供参考,恕不承担由此带来的任何责任。
关于我们
联系方式
信息反馈
典型客户
人才招聘
友情链接
版权所有: 本网站所有资料与图片属武汉胜强威凯环保锅炉有限公司
鄂公网安备 42010202000717号